Центробежный насос Purity PSTG-R5 40-250/92
Центробежный насос серии PSTG-R5 позволяет перекачивать горячие масла при температуре до +160 °C (кратковременно (до 30 минут) до +200 °C.
Подробнее
99 706,14 руб.
Нашли дешевле?
-
+
Заказать
Связаться с менеджером
Производитель оставляет за собой право вносить изменения в характеристики оборудования без предварительного уведомления. Характеристики, вес, размеры, цена и любые другие указанные в каталоге данные не являются окончательными. Окончательные данные уточняйте у менеджеров по продажам.
Описание
Центробежный насос серии PSTG-R5 позволяет перекачивать горячие масла при температуре до +160 °C (кратковременно (до 30 минут) до +200 °C.Насос используется в промышленности для циркуляции горячих масел в контурах обогрева и охлаждения. Для непрерывной работы насоса не требуется подводить дополнительное охлаждение.
Центробежный насос серии PSTG-R5 имеет общий вал и одно рабочее колесо из чугуна. Конструкция насоса моноблочного типа с прямым присоединением двигатель-насос, патрубки фланцевые.
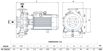
Мощность насоса Purity PSTG-R5 40-250/92 составляет 9.2 кВт, напряженине 380 В. Насос обеспечивает максимальный напор 53 м, максимальную производительность - 40 м³/ч.
Область применения
- Промышленность
- Циркуляция горячих масел в контурах обогрева и охлаждения
Эксплуатационные ограничения
- Температура перекачиваемого масла до +160°C, кратковременно (до 30 минут) до +200 °C.
- Температура снаружи насоса от -10 °C до +50 °C.
- Максимальное давление: 16 бар.
- Допускается круглосуточная эксплуатация (S1).
Характеристики
|
Произв-ть макс., м³/ч
|
40 |
|
Напор макс., м
|
53 |
|
Количество оборотов
|
2900 |
|
Мощность, кВт
|
9.2 |
|
Напряжение, В
|
380 |
|
Входной патрубок, мм
|
65 |
|
Выходной патрубок, мм
|
40 |
|
Рабочая точка
|
22.5 м³/час при46 м.в.ст. |
|
Материал
|
Чугун |
|
Длина, мм
|
710 |
|
Ширина, мм
|
330 |
|
Высота, мм
|
420 |
|
Вес, кг
|
100 |

